Hallo ihr lieben,
wollte gestern meinen Typ 44 tanken via Kanister.
Nach ca. 10 sec lief der Tank über. (also selben weg rückwärts)
dieses procedere probierte ich ca 5 mal mit verschiedenen Einfüllstutzen. immer wieder das selbe.
Gehe jetzt mal von der Tankentlüftung aus.
Hat vll jemand das selbe Problem schon mal ?
Wäre da um jede Hilfstellung bzw Erfahrungsbericht froh.
Wo sitzt den die Tankentlüftung beim Typ 44 ?
vor 2 Tagen tankte ich noch ohne Probleme
mfg
kevin
tankentlüftung?
Moderatoren: Moderatoren, globale Moderatoren
Forumsregeln
Bitte vor dem Erstellen eines Postings die geltenden Forenregeln beachten. Moderatoren und der Site-Admin werden in regelmäßigen Kontrollen für die Einhaltung der Regeln sorgen.
http://forum.group44.de/viewtopic.php?f ... 1#p1242111
Bitte vor dem Erstellen eines Postings die geltenden Forenregeln beachten. Moderatoren und der Site-Admin werden in regelmäßigen Kontrollen für die Einhaltung der Regeln sorgen.
http://forum.group44.de/viewtopic.php?f ... 1#p1242111
-
pxL1991
- Crashtest-Dummy

- Beiträge: 69
- Registriert: 21.10.2023, 19:42
- Fuhrpark: Audi 100 CS quattro Avant
tankentlüftung?
Audi 90 Typ 89 2.2E KV 1989
Audi 100 CS quattro Typ 44 2.3E NF VFL 1987
Audi 80 B4 Avant 1.9 TDI 1Z 1995
Audi 100 CS quattro Typ 44 2.3E NF VFL 1987
Audi 80 B4 Avant 1.9 TDI 1Z 1995
- 1TTDI
- Entwicklungsleiter
- Beiträge: 1769
- Registriert: 25.06.2005, 11:38
- Fuhrpark: Audi 100 TDI Sport EZ 12/90, lago , 810000km
Audi 100 TDI Avant EZ 08/90, nautic, 180000km - Wohnort: Kreis Kleve
Re: tankentlüftung?
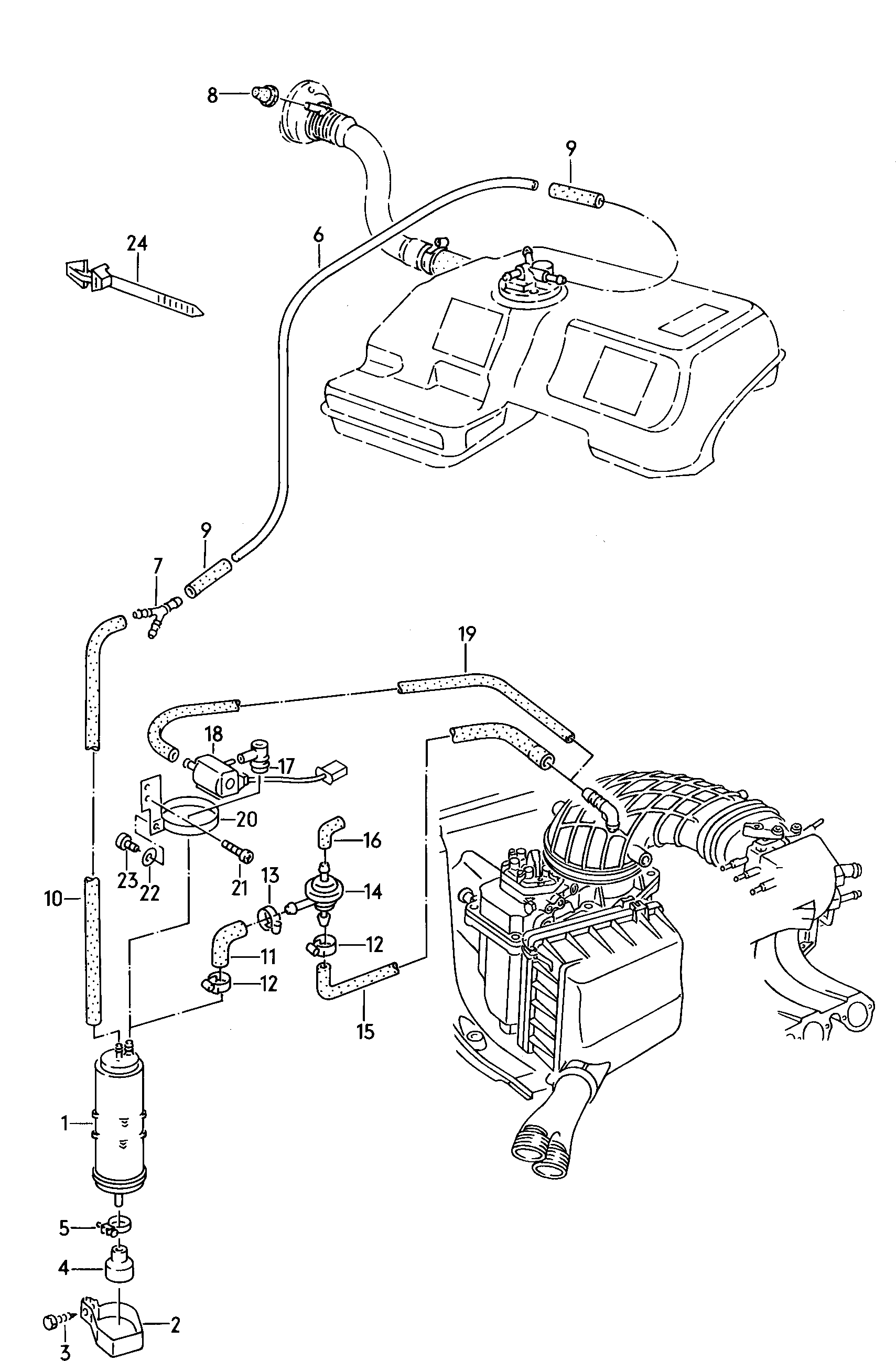
Kann es sein, das dein Bild nicht passt? Als 87er Q wird im Katalog was anders angezeigt.
Da sieht man die Entlüftung deutlich und einen Einsatz.
Da ich selbst keinen Benziner habe, kann ich sonst nicht weiter helfen.
Da sieht man die Entlüftung deutlich und einen Einsatz.
Da ich selbst keinen Benziner habe, kann ich sonst nicht weiter helfen.
-
pxL1991
- Crashtest-Dummy

- Beiträge: 69
- Registriert: 21.10.2023, 19:42
- Fuhrpark: Audi 100 CS quattro Avant
Re: tankentlüftung?
Servus,
das ist interessant danke für dein mitwirken.
Liebe Grüße
das ist interessant danke für dein mitwirken.
Liebe Grüße
Audi 90 Typ 89 2.2E KV 1989
Audi 100 CS quattro Typ 44 2.3E NF VFL 1987
Audi 80 B4 Avant 1.9 TDI 1Z 1995
Audi 100 CS quattro Typ 44 2.3E NF VFL 1987
Audi 80 B4 Avant 1.9 TDI 1Z 1995
-
Daniel Turbo10V
- Testfahrer

- Beiträge: 312
- Registriert: 25.01.2022, 20:39
- Fuhrpark: AUDI 100 Komfort 2,3E Limo MKB:NF EZ.4/90 Cheyenrotperleffekt
AUDI 200 20V Limo MKB:3B EZ. 1990 perlmuttweiß )
AUDI 200 10V Turbo Fronti Limo MKB:MC(1)EZ. 4/88 Steingraumetallic(Aufbau beendet 11/22)
AUDI 100 2,3E Limo zermattsilber - Wohnort: 42551 Velbert
Re: tankentlüftung?
Hallo Kevin,
solltest du eine Endoskopkamera haben(gibt schonmal günstig beim Discounter) fahre doch mal in den Tankstutzen herein, vielleicht hängt da ja etwas im Weg.
Gruß Daniel
solltest du eine Endoskopkamera haben(gibt schonmal günstig beim Discounter) fahre doch mal in den Tankstutzen herein, vielleicht hängt da ja etwas im Weg.
Gruß Daniel
"Wer sagt das alte Autos und Motorräder fahren billig und einfach sein muss? "
Re: tankentlüftung?
Mach das nicht.Daniel Turbo10V hat geschrieben: ↑21.07.2024, 12:20 Hallo Kevin,
solltest du eine Endoskopkamera haben(gibt schonmal günstig beim Discounter) fahre doch mal in den Tankstutzen herein, vielleicht hängt da ja etwas im Weg.![]()
Gruß Daniel
Es ist keine gute Idee mit einer potentiellen Zündquelle in eine Ex-Atmosphäre zu gehen.
-
Daniel Turbo10V
- Testfahrer

- Beiträge: 312
- Registriert: 25.01.2022, 20:39
- Fuhrpark: AUDI 100 Komfort 2,3E Limo MKB:NF EZ.4/90 Cheyenrotperleffekt
AUDI 200 20V Limo MKB:3B EZ. 1990 perlmuttweiß )
AUDI 200 10V Turbo Fronti Limo MKB:MC(1)EZ. 4/88 Steingraumetallic(Aufbau beendet 11/22)
AUDI 100 2,3E Limo zermattsilber - Wohnort: 42551 Velbert
Re: tankentlüftung?
Mach das nicht.
Es ist keine gute Idee mit einer potentiellen Zündquelle in eine Ex-Atmosphäre zu gehen.
[/quote]
Im Tank bekommt auch die Pumpe Spannung und der Geber funktioniert auch nicht ohne . Beides ist temporär nicht mit Kraftstoff umhüllt. Hier wäre dann auch eine Zündquelle zu vermuten......
Gruß Daniel
Es ist keine gute Idee mit einer potentiellen Zündquelle in eine Ex-Atmosphäre zu gehen.
[/quote]
Im Tank bekommt auch die Pumpe Spannung und der Geber funktioniert auch nicht ohne . Beides ist temporär nicht mit Kraftstoff umhüllt. Hier wäre dann auch eine Zündquelle zu vermuten......
Gruß Daniel
"Wer sagt das alte Autos und Motorräder fahren billig und einfach sein muss? "