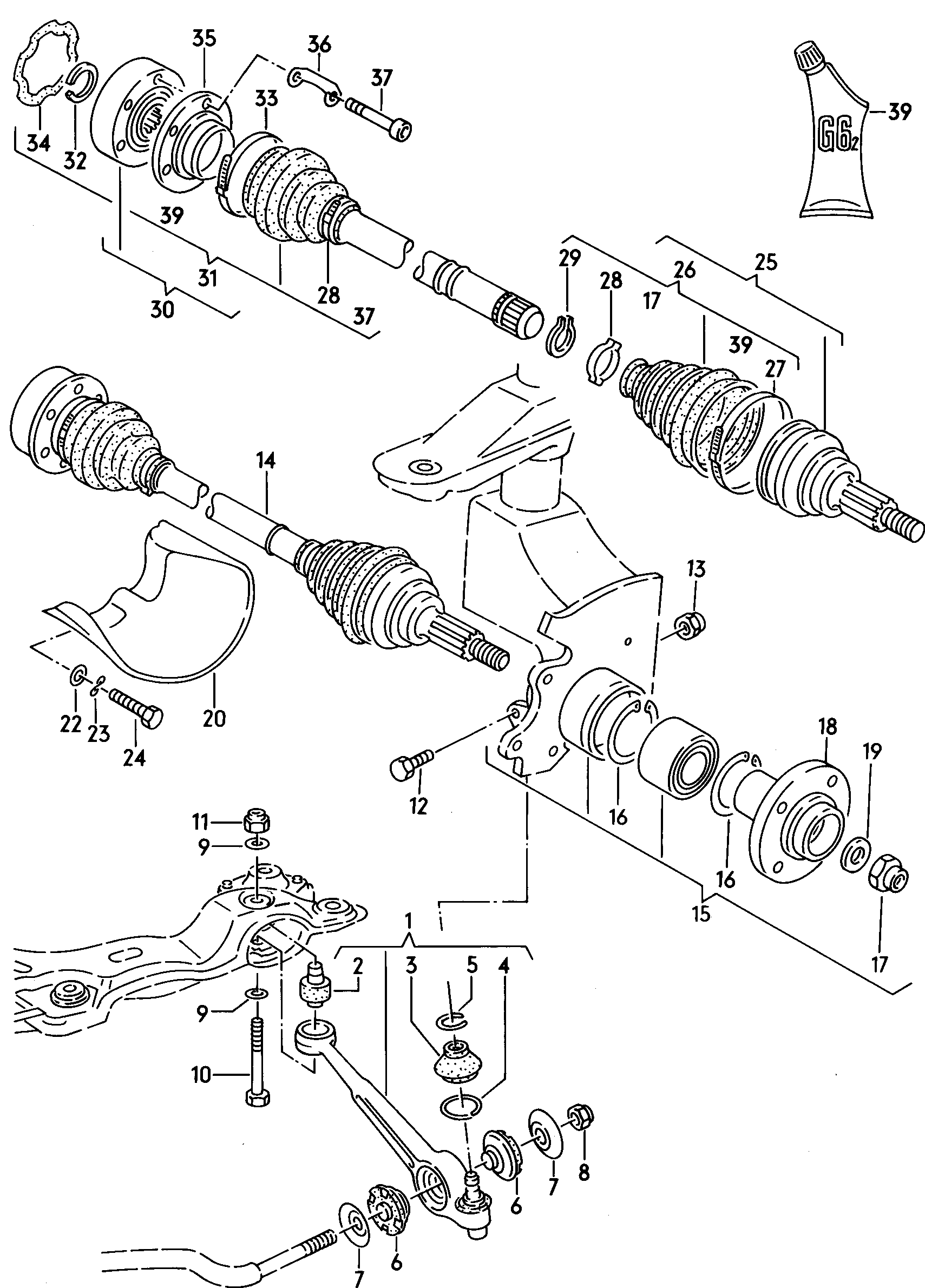
Teilenummern Faltenbalg

Hier bitte Fragen, Tipps und Anregungen rund um den Originalerhalt des Typ44 einstellen.
Beispiel: Ausstattungsfragen, Fragen rund um die Instandhaltung, Teilebeschaffung, Rostvorsorge

Bitte überprüfe vor dem Erstellen Deines Postings, ob die Frage bereits in der Audi 100 und A6 Selbst-Dokumentation, der audi100.selbst-doku.de beantwortet wurde. Für fast alle häufigeren Probleme gibt es dort bereits Lösungen.

Moderatoren: Moderatoren, globale Moderatoren

Forumsregeln
Bitte vor dem Erstellen eines Postings die geltenden Forenregeln beachten. Moderatoren und der Site-Admin werden in regelmäßigen Kontrollen für die Einhaltung der Regeln sorgen.

http://forum.group44.de/viewtopic.php?f ... 1#p1242111
Antworten
pxL1991
Crashtest-Dummy
Crashtest-Dummy
Beiträge: 69
Registriert: 21.10.2023, 19:42
Fuhrpark: Audi 100 CS quattro Avant

Teilenummern Faltenbalg

Beitrag von pxL1991 »

Servus,

kann mir einer mit den Teilenummern für die Faltenbalg Bälge aushelfen?

Audi 100 Typ 44 Nf Avant VFL Avant

vielen lieben Dank

Mit freundlichen Grüßen

Kevin
Audi 90 Typ 89 2.2E KV 1989
Audi 100 CS quattro Typ 44 2.3E NF VFL 1987
Audi 80 B4 Avant 1.9 TDI 1Z 1995
Benutzeravatar
Fussel
Entwicklungsleiter
Beiträge: 1229
Registriert: 08.11.2012, 15:53
Fuhrpark: BMW 2002 tii (e114)
VW Käfer Cabrio (1302)
BMW 320/6 (e21)
Honda VFR400R (2x nc24)
Audi 100 Avant Quattro Sport (C3)
Wohnort: Nürnberg

Re: Teilenummern Faltenbalg

Beitrag von Fussel »

Hallo Kevin,

Vorderachse? Hinterachse? Innen oder außen? Nur den Faltenbalg oder einen Reparatursatz?
Ich hatte mir damals für meinen NF2 Facelift Avant jeweils Reparatursätze gekauft mit allem notwendigen Material gekauft.

Gelenkwelle Vorderachse VFL (Bj86)
Gelenkwelle Vorderachse VFL (Bj86)
Gelenkwelle Hinterachse VFL (Bj86)
Gelenkwelle Hinterachse VFL (Bj86)
Zu finden auch unter 7zap online Teilekatalog (Link)
Hab dort aber auch keine Nummern für die Faltenbälge alleine gefunden...


Quattrogetriebene Grüße, Fussel
pxL1991
Crashtest-Dummy
Crashtest-Dummy
Beiträge: 69
Registriert: 21.10.2023, 19:42
Fuhrpark: Audi 100 CS quattro Avant

Re: Teilenummern Faltenbalg

Beitrag von pxL1991 »

Hallo,

würde gerne alle Bälge kaufen.

wenn die noch zu bekommen sind.

Mit freundlichen Grüßen
Audi 90 Typ 89 2.2E KV 1989
Audi 100 CS quattro Typ 44 2.3E NF VFL 1987
Audi 80 B4 Avant 1.9 TDI 1Z 1995
Benutzeravatar
Fussel
Entwicklungsleiter
Beiträge: 1229
Registriert: 08.11.2012, 15:53
Fuhrpark: BMW 2002 tii (e114)
VW Käfer Cabrio (1302)
BMW 320/6 (e21)
Honda VFR400R (2x nc24)
Audi 100 Avant Quattro Sport (C3)
Wohnort: Nürnberg

Re: Teilenummern Faltenbalg

Beitrag von Fussel »

Hallo Kevin,

warst Du schonmal beim Stahlgruber? Das wäre ein Anlaufpunkt: die können Dir die Teile raussuchen und sagen Dir auch direkt, was lieferbar ist.
Vielleicht etwas teurer als im Internet, dafür aber mit weniger Stress verbunden und leichter im Umtauschen.

Oliver Wischerath hat seinen Shop leider geschlossen, da hatte ich sonst immer die passenden Typ44 Teile bezogen.

Quattrogetriebene Grüße,
Fussel
pxL1991
Crashtest-Dummy
Crashtest-Dummy
Beiträge: 69
Registriert: 21.10.2023, 19:42
Fuhrpark: Audi 100 CS quattro Avant

Re: Teilenummern Faltenbalg

Beitrag von pxL1991 »

ne da war ich noch nicht guter anlaufpunkt.

danke schonmal

Mit freundlichen Grüßen
Audi 90 Typ 89 2.2E KV 1989
Audi 100 CS quattro Typ 44 2.3E NF VFL 1987
Audi 80 B4 Avant 1.9 TDI 1Z 1995
Joe 10v
Entwicklungsleiter
Beiträge: 2183
Registriert: 15.03.2012, 22:27
Fuhrpark: Audi 100CS Avant Bj87 tornadorot
Audi 100CSq Limo Bj87 Flamingomet.
Wohnort: Würzburg

Re: Teilenummern Faltenbalg

Beitrag von Joe 10v »

Servus
Die Faltenbalge zwischen Vorderachse und Hinterachse sind bei meinen VFL Bj 87 alle gleich.
Achtung bei Händler werden oft für den 5 Zylinder die vom 4 Zylinder verkauf, die sind kleiner.
Ich habe im moment Febi Bilstein Verbaut, Ausengelenke.
Febi 03629 ist allerdings vom Audi 90
Da ist die große Mutter mit dabei.
Innen hab ich Spidan 26109 verbaut.
Kann ich dir besorgen, bitte Pn dazu
Mfg
pxL1991
Crashtest-Dummy
Crashtest-Dummy
Beiträge: 69
Registriert: 21.10.2023, 19:42
Fuhrpark: Audi 100 CS quattro Avant

Re: Teilenummern Faltenbalg

Beitrag von pxL1991 »

Danke für die Hilfestellung

Mit freundlichen Grüßen
Audi 90 Typ 89 2.2E KV 1989
Audi 100 CS quattro Typ 44 2.3E NF VFL 1987
Audi 80 B4 Avant 1.9 TDI 1Z 1995
Joe 10v
Entwicklungsleiter
Beiträge: 2183
Registriert: 15.03.2012, 22:27
Fuhrpark: Audi 100CS Avant Bj87 tornadorot
Audi 100CSq Limo Bj87 Flamingomet.
Wohnort: Würzburg

Re: Teilenummern Faltenbalg

Beitrag von Joe 10v »

Servus
Bei weitern Fragen zu den Antriebswellen, gerne weiter Fragen
Oder bei Bildern von den Faltenbalgen die du erworben hast.
Mfg
pxL1991
Crashtest-Dummy
Crashtest-Dummy
Beiträge: 69
Registriert: 21.10.2023, 19:42
Fuhrpark: Audi 100 CS quattro Avant

Re: Teilenummern Faltenbalg

Beitrag von pxL1991 »

Servus,

hast du den das mittellager von der Kardan auch schon gemacht?

da gibt es nämlich keine klare Aussage welches genau passt.

Mit freundlichen Grüßen
Audi 90 Typ 89 2.2E KV 1989
Audi 100 CS quattro Typ 44 2.3E NF VFL 1987
Audi 80 B4 Avant 1.9 TDI 1Z 1995
Joe 10v
Entwicklungsleiter
Beiträge: 2183
Registriert: 15.03.2012, 22:27
Fuhrpark: Audi 100CS Avant Bj87 tornadorot
Audi 100CSq Limo Bj87 Flamingomet.
Wohnort: Würzburg

Re: Teilenummern Faltenbalg

Beitrag von Joe 10v »

Servus
Nein, ich hab immer noch die erste Kardanwelle drinne mit 576600km :}
Hab noch eine Originale Welle liegen als Ersatz.
Da gibt es akuelll einen Betrag von smuef mit 48 Infofs
Bitte lesen, mfg
Zuletzt geändert von Joe 10v am 26.11.2023, 14:00, insgesamt 1-mal geändert.
Benutzeravatar
Klaus T.
Projektleiter
Beiträge: 3269
Registriert: 17.11.2004, 17:53
Wohnort: 88339 (neben dem Frisör)

Re: Teilenummern Faltenbalg

Beitrag von Klaus T. »

pxL1991 hat geschrieben: 10.11.2023, 20:22 Servus,

hast du den das mittellager von der Kardan auch schon gemacht?

da gibt es nämlich keine klare Aussage welches genau passt.

Mit freundlichen Grüßen


... guckst du mal ganz unten, vielleicht hilft es dir ;)
klick mich!viewtopic.php?f=6&t=166350&p=1472641#p1472641[/longurl]
Grüßle Klaus

Bei gleicher Umgebung lebt doch jeder in einer anderen Welt. Arthur Schopenhauer

Audi A4 Avant B5 S-line (BFB)(GEB)
VW Polo CROSS (9N3)(BUD)
SIMSON "Schwalbe" KR51/2(M541)
SIMSON S51 ENDURO(M541)
pxL1991
Crashtest-Dummy
Crashtest-Dummy
Beiträge: 69
Registriert: 21.10.2023, 19:42
Fuhrpark: Audi 100 CS quattro Avant

Re: Teilenummern Faltenbalg

Beitrag von pxL1991 »

Klaus T. hat geschrieben: 11.11.2023, 17:07
pxL1991 hat geschrieben: 10.11.2023, 20:22 Servus,

hast du den das mittellager von der Kardan auch schon gemacht?

da gibt es nämlich keine klare Aussage welches genau passt.

Mit freundlichen Grüßen




... guckst du mal ganz unten, vielleicht hilft es dir ;)
klick mich!viewtopic.php?f=6&t=166350&p=1472641#p1472641[/longurl]



Hast du das auch schon verbaut?

liebe Grüße
Audi 90 Typ 89 2.2E KV 1989
Audi 100 CS quattro Typ 44 2.3E NF VFL 1987
Audi 80 B4 Avant 1.9 TDI 1Z 1995
Benutzeravatar
Klaus T.
Projektleiter
Beiträge: 3269
Registriert: 17.11.2004, 17:53
Wohnort: 88339 (neben dem Frisör)

Re: Teilenummern Faltenbalg

Beitrag von Klaus T. »

Hallo, du fragtest ob ich es schon verbaut habe: "Ja" ... aber eben nicht mehr für meinen 44er, da ich ihn schon 4 Jahre nicht mehr habe.

Die Situation ist die, dass ich solch einen "Umbau" schon für einen (ich glaube ein B4 quattro wars) vorgenommen habe.

Man bohrt die Schweißpunkte der Füße/Bügel auf und kann dann durch Lochschweißung den Ring mit dem gewünschten
Fuss verschweißen. Die Ringinnenseite lackieren und trocknen lassen. Aussenseite des Gummikörpers und Innenseite des Metallringes mit Prilwasser oder Reifenmontagepaste benetzen und per Presse oder Schraubstock gefühlvoll ineinander schieben. Die 3 Nasen umbiegen und alles schön lackieren.
Grüßle Klaus

Bei gleicher Umgebung lebt doch jeder in einer anderen Welt. Arthur Schopenhauer

Audi A4 Avant B5 S-line (BFB)(GEB)
VW Polo CROSS (9N3)(BUD)
SIMSON "Schwalbe" KR51/2(M541)
SIMSON S51 ENDURO(M541)
Joe 10v
Entwicklungsleiter
Beiträge: 2183
Registriert: 15.03.2012, 22:27
Fuhrpark: Audi 100CS Avant Bj87 tornadorot
Audi 100CSq Limo Bj87 Flamingomet.
Wohnort: Würzburg

Re: Teilenummern Faltenbalg

Beitrag von Joe 10v »

Servus
An den Ersteller von diesen Thema.
Was hast du jetzt für welche Faltenbalge Gekauft bzw Verbaut :roll:
Ein Forum lebt von Feedpacks
Mfg
pxL1991
Crashtest-Dummy
Crashtest-Dummy
Beiträge: 69
Registriert: 21.10.2023, 19:42
Fuhrpark: Audi 100 CS quattro Avant

Re: Teilenummern Faltenbalg

Beitrag von pxL1991 »

Joe 10v hat geschrieben: 26.11.2023, 13:59 Servus
An den Ersteller von diesen Thema.
Was hast du jetzt für welche Faltenbalge Gekauft bzw Verbaut :roll:
Ein Forum lebt von Feedpacks
Mfg

Servus hab deinne genannten verbaut. und hat alles wunderbar gepasst bis auf die Klammern da hab ich die alten wiederverwertet.

Mit freundlichen Grüßen
Audi 90 Typ 89 2.2E KV 1989
Audi 100 CS quattro Typ 44 2.3E NF VFL 1987
Audi 80 B4 Avant 1.9 TDI 1Z 1995
pxL1991
Crashtest-Dummy
Crashtest-Dummy
Beiträge: 69
Registriert: 21.10.2023, 19:42
Fuhrpark: Audi 100 CS quattro Avant

Re: Teilenummern Faltenbalg

Beitrag von pxL1991 »

bräuchte nur noch das mittellager welches ich nicht find

Mit freundlichen Grüßen
Audi 90 Typ 89 2.2E KV 1989
Audi 100 CS quattro Typ 44 2.3E NF VFL 1987
Audi 80 B4 Avant 1.9 TDI 1Z 1995
Joe 10v
Entwicklungsleiter
Beiträge: 2183
Registriert: 15.03.2012, 22:27
Fuhrpark: Audi 100CS Avant Bj87 tornadorot
Audi 100CSq Limo Bj87 Flamingomet.
Wohnort: Würzburg

Re: Teilenummern Faltenbalg

Beitrag von Joe 10v »

Servus
Bei mir haben Schlauchbinder mit 97mm gepasst
Für die Kardanwelle gibt es Teile.
In dem Kardanwellen Thema selber nach schauen.
Bei Audi gab es keine Einzelteile.....
Einfach Forumssuche benutzen, mfg
Antworten