in dem Thread "temporärer Ausfall der Lautsprecher" habe ich geschrieben, dass beim Schalten in die Gänge 2, 4 und R die rechten Lautsprecher ausfallen. Nun hatte ich gehofft, dass ich beim Ausbau des Gebläsekastens etwas mehr Licht ins Dunkel bekomme, doch leider war dem nicht so und es muss wirklich die Mittelkonsole raus, um den Kabeldefekt zu finden. Wahrscheinlich auch keine schöne Arbeit, aber es hilft ja nichts...
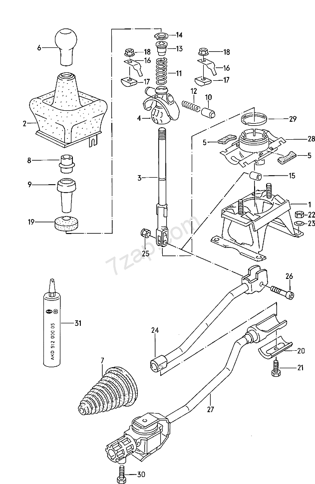
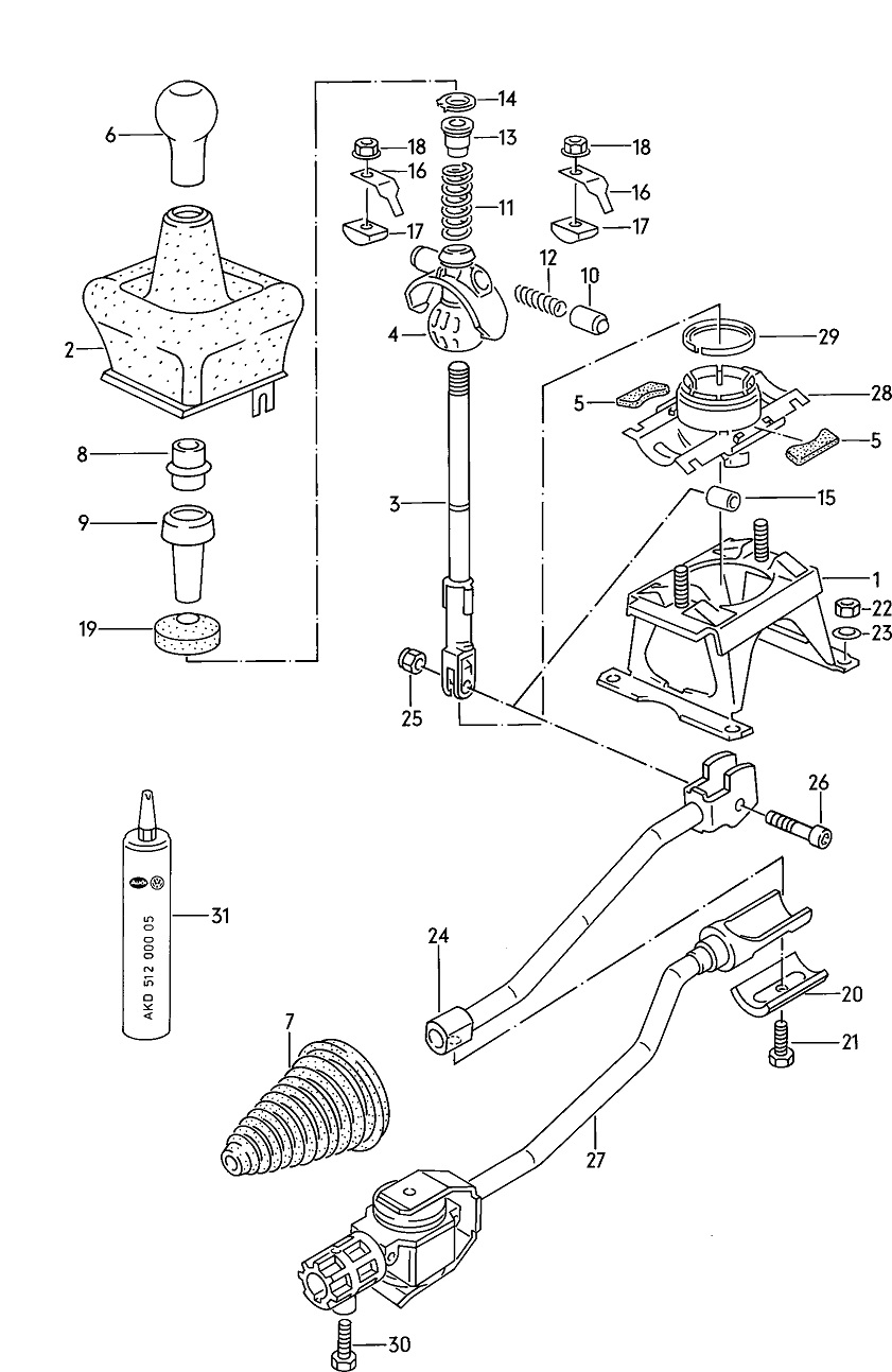
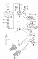
Allerdings habe ich dazu noch eine andere Frage: An sich lässt sich das Getriebe gut schalten und die Gänge können direkt angewählt werden. Daher bin ich davon ausgegangen, dass das Schaltgestänge relativ spielfrei ist. Nun habe ich mich etwas intensiver mit dem Schalthebel auseinander gesetzt und bin hier etwas unschlüssig.
Dazu zwei Videos:

(Die Vorschau für die Videos klappt nicht so ganz, die Videos sind aber richtig verlinkt
Das Gehäuse der Schaltbetätigung lässt sich nur nach hinten bewegen - in diesem Fall fallen auch die rechten Lautsprecher aus - während es nach vorne eher fest ist und sich nicht bewegen lässt. Dies passiert auch beim Einlegen der Gänge 2, 4 und R: Das Gehäuse bewegt sich nach hinten, während es sich beim Einlegen der Gänge 1, 3 und 5 nicht bewegt. Daher meine Frage: ist das normal, oder hat hier etwas nachgegeben und zu viel Spiel? Der Vorbesitzer hat das Getriebe bereits ausbauen und teilweie neu abdichten lassen. Von daher gehe ich davon aus, dass auch das Schaltgestänge überprüft wurde, das ist aber nur eine Vermutung!
Denn wenn ich mich nun ans Zerlegen mache, um den Nebenschluss für das Lautsprecherkabel zu finden, würde ich dann direkt verschlissene Teile der Schaltbetätigung gleich mit austauschen. Allerdings habe ich bei der Audi Tradition schon gesehen, dass es keine wirklichen Neuteile für den Kugelkopf mehr gibt...
Ich kenne bislang auch nur die Schalthebel mit kurzen Wegen von Hecktrieblern, bei denen das Getriebe direkt unter dem Schalthebel sitzt. Hier ist in der gesamten Betätigung sicherlich weniger Spiel, als wenn ein eher langes Schaltgestänge mit einigen Umlenkungen wie im Typ44 verbaut ist.
Wie ist daher Eure Erfahrung und Meinung dazu? Wenn ich (viel) Glück habe sind vielleicht auch nur die Muttern zur Verschraubung des Gehäuses für die Schaltbetätigung (Bild Nr 1) löse...
Quattrogetriebene Grüße,
Fussel


