Schaltgestänge 5-Gang
Moderatoren: Moderatoren, globale Moderatoren
Forumsregeln
Bitte vor dem Erstellen eines Postings die geltenden Forenregeln beachten. Moderatoren und der Site-Admin werden in regelmäßigen Kontrollen für die Einhaltung der Regeln sorgen.
http://forum.group44.de/viewtopic.php?f ... 1#p1242111
Bitte vor dem Erstellen eines Postings die geltenden Forenregeln beachten. Moderatoren und der Site-Admin werden in regelmäßigen Kontrollen für die Einhaltung der Regeln sorgen.
http://forum.group44.de/viewtopic.php?f ... 1#p1242111
Schaltgestänge 5-Gang
Hallo zusammen,
meine Schaltung macht Ärger.
Ich konnte das Problem identifizieren, die kleine Koppelstange (sieht etwa wie ein Wantenbspanner aus) die vom Schaltgestänge aufs Getriebe geht,
springt vom Kogelkopf.
Gibt es das Teil noch als Ersatz, oder eine gängige Reparaturlösung??
In der Explosionszeichnung auf 7zap ist das Teil mit Nr 48 und nicht mehr erhätlich bezeichnet.
meine Schaltung macht Ärger.
Ich konnte das Problem identifizieren, die kleine Koppelstange (sieht etwa wie ein Wantenbspanner aus) die vom Schaltgestänge aufs Getriebe geht,
springt vom Kogelkopf.
Gibt es das Teil noch als Ersatz, oder eine gängige Reparaturlösung??
In der Explosionszeichnung auf 7zap ist das Teil mit Nr 48 und nicht mehr erhätlich bezeichnet.
-
Joe 10v
- Entwicklungsleiter
- Beiträge: 2183
- Registriert: 15.03.2012, 22:27
- Fuhrpark: Audi 100CS Avant Bj87 tornadorot
Audi 100CSq Limo Bj87 Flamingomet. - Wohnort: Würzburg
Re: Schaltgestänge 5-Gang
Servus
Genau nicht mehr erhältlich bei Audi
Einfach Suche benutzen, da gibt es einige Beiträge zu dem Thema.
mfg
Genau nicht mehr erhältlich bei Audi
Einfach Suche benutzen, da gibt es einige Beiträge zu dem Thema.
mfg
Re: Schaltgestänge 5-Gang
Wie wird das Teil denn genau genannt, zwecks Suche??
Im Prinzip bräucht man doch nur die passenden Gummimuffen die in die Augen des Gestänges und auf die Kugelköpfe passen.
Oder neue passende Kugelpfannen.....
Falls jemad die Größe der Kugeln weiß wäre das schonmal sehr hilfreich.
Im Prinzip bräucht man doch nur die passenden Gummimuffen die in die Augen des Gestänges und auf die Kugelköpfe passen.
Oder neue passende Kugelpfannen.....
Falls jemad die Größe der Kugeln weiß wäre das schonmal sehr hilfreich.
-
Joe 10v
- Entwicklungsleiter
- Beiträge: 2183
- Registriert: 15.03.2012, 22:27
- Fuhrpark: Audi 100CS Avant Bj87 tornadorot
Audi 100CSq Limo Bj87 Flamingomet. - Wohnort: Würzburg
Re: Schaltgestänge 5-Gang
Servus
In der Forumssuche einfach Schaltgestänge eingeben.
Ich habe kein 7zap mehr, weil es kostet doch was.
Den Kugelkopf am Getriebe gab es vor 3 Jahren noch, einfach bei Tradition nachschauen.
Er hat kugel 10mm.
Hast du deines schon ausgebaut ? es geht raus bei eingebauten Getriebe
Das ist dann selbsterklärend was du brauchst, schau dir das Gestänge genau an.
Mfg
In der Forumssuche einfach Schaltgestänge eingeben.
Ich habe kein 7zap mehr, weil es kostet doch was.
Den Kugelkopf am Getriebe gab es vor 3 Jahren noch, einfach bei Tradition nachschauen.
Er hat kugel 10mm.
Hast du deines schon ausgebaut ? es geht raus bei eingebauten Getriebe
Das ist dann selbsterklärend was du brauchst, schau dir das Gestänge genau an.
Mfg
- Dateianhänge
-
- 100_1375.JPG (1.51 MiB) 1117 mal betrachtet
Re: Schaltgestänge 5-Gang
Vielen Dank für die Antwort, 10mm ist gut zu wissen, da lege ich mir noch ein Paar Standardkugelpfannen ins Regal.
In den Analen habe ich diese zwei Nr. als Ersatz gefunden: 431711429B, 803711279E.
Die 803711279 konnte ich überteuert als VW-Ersatzteil im Netz finden und warte jetzt auf die 2 Gummis.
Zur Sicherheit bestell ich wohl nochmal 2 Standardpfannen hinterher.
Danke!
In den Analen habe ich diese zwei Nr. als Ersatz gefunden: 431711429B, 803711279E.
Die 803711279 konnte ich überteuert als VW-Ersatzteil im Netz finden und warte jetzt auf die 2 Gummis.
Zur Sicherheit bestell ich wohl nochmal 2 Standardpfannen hinterher.
Danke!
-
Joe 10v
- Entwicklungsleiter
- Beiträge: 2183
- Registriert: 15.03.2012, 22:27
- Fuhrpark: Audi 100CS Avant Bj87 tornadorot
Audi 100CSq Limo Bj87 Flamingomet. - Wohnort: Würzburg
Re: Schaltgestänge 5-Gang
Servus
Soweit ich mich erinnern kann passen die Original Teile besser
Ich habe mit Original Teile Repariert.
Hab mir dann noch ein gutes Gebauchtes Schaltgestänge auf Bay.e gekauft.
Als Reserve auf Lager liegen.
Mfg
Soweit ich mich erinnern kann passen die Original Teile besser
Ich habe mit Original Teile Repariert.
Hab mir dann noch ein gutes Gebauchtes Schaltgestänge auf Bay.e gekauft.
Als Reserve auf Lager liegen.
Mfg
Re: Schaltgestänge 5-Gang
Heute kamen die 2 Pfannen 803711279E, diese passen nicht Recherche an anderer Stelle ergab das diese für 13mm Kugel sind.
Kacke also zurück damit.
Mal gucken wann die DIN-Teile kommen....
Kacke also zurück damit.
Mal gucken wann die DIN-Teile kommen....
-
Joe 10v
- Entwicklungsleiter
- Beiträge: 2183
- Registriert: 15.03.2012, 22:27
- Fuhrpark: Audi 100CS Avant Bj87 tornadorot
Audi 100CSq Limo Bj87 Flamingomet. - Wohnort: Würzburg
Re: Schaltgestänge 5-Gang
Servus
Ok wenn sie nicht passen.
Ich habe dir ja geschrieben das es genug Beiträge in diesen Forum gibt.
Einfach Forumssuche benutzen
Die Din Teile passen nur mit Anpassen, leider
Zum 2 ten mal, hast du das Schaltgestänge schon ausgebaut ?
Oder die Querstange die einzeln raus geht ?
Du beantwortest mir nicht meine Fragen
Aber es muß jeder selber wissen was er Tut und Bezahlen
Mfg
Ok wenn sie nicht passen.
Ich habe dir ja geschrieben das es genug Beiträge in diesen Forum gibt.
Einfach Forumssuche benutzen
Die Din Teile passen nur mit Anpassen, leider
Zum 2 ten mal, hast du das Schaltgestänge schon ausgebaut ?
Oder die Querstange die einzeln raus geht ?
Du beantwortest mir nicht meine Fragen
Aber es muß jeder selber wissen was er Tut und Bezahlen
Mfg
Re: Schaltgestänge 5-Gang
Welche Fragen hast du gestellt, hab ich was überlesen?? 
Die Suche hab ich benutzt und die nicht passende Teilenr als Ersatz gefunden. Mit der OEM Nummer gibt es ja nix mehr zu finden.
Andere als die zwei genannten Nummern habe ich bisher nicht finden können.
Russisch könnte ich das noch mit Gummidip (hab ich von meinen Mopedarmaturen über) lösen aber ehe ich da die richtige Stärke aufgebracht habe tauche ich sicher 10-20x. Eine Zeit hält das sicher, aber nicht ewig und für die vielen Schichten brauche ich sicher mehrer Tage....paßt mir nicht wirklich.
Nicht ganz so russisch, könnte ich einen Kollegen fragen ob er mir die Muffen 3D-druckt. Modell erstellen wäre für mich kein Ding...auch hier zweifel ich aber an der Haltbarkeit.
Naja von Ausbau kann man ja kaum noch sprechen, wenn man die Koppelstange mit etwas Fingerverenken in 10sec von den Kugeln heben kann...das mach ich dir auch 20x am Abend
nutzt nur nix, solange ich keinen gängigen Ersatz für die Gummimuffen/Pfannen habe.
Ich werde noch etwas suchen, würde aber inzwischen den Neubau mit DIN-Teilen bevorzugen, das sollte wenigsten einige Jahre halten. Als Ersatz für die Dämpfung der Gummimuffen wäre ja z.B. ein Gummiblock mit 2x M6 Stab möglich. Falls das starr Ärger macht.
Die Suche hab ich benutzt und die nicht passende Teilenr als Ersatz gefunden. Mit der OEM Nummer gibt es ja nix mehr zu finden.
Andere als die zwei genannten Nummern habe ich bisher nicht finden können.
Russisch könnte ich das noch mit Gummidip (hab ich von meinen Mopedarmaturen über) lösen aber ehe ich da die richtige Stärke aufgebracht habe tauche ich sicher 10-20x. Eine Zeit hält das sicher, aber nicht ewig und für die vielen Schichten brauche ich sicher mehrer Tage....paßt mir nicht wirklich.
Nicht ganz so russisch, könnte ich einen Kollegen fragen ob er mir die Muffen 3D-druckt. Modell erstellen wäre für mich kein Ding...auch hier zweifel ich aber an der Haltbarkeit.
Naja von Ausbau kann man ja kaum noch sprechen, wenn man die Koppelstange mit etwas Fingerverenken in 10sec von den Kugeln heben kann...das mach ich dir auch 20x am Abend
Ich werde noch etwas suchen, würde aber inzwischen den Neubau mit DIN-Teilen bevorzugen, das sollte wenigsten einige Jahre halten. Als Ersatz für die Dämpfung der Gummimuffen wäre ja z.B. ein Gummiblock mit 2x M6 Stab möglich. Falls das starr Ärger macht.
-
Joe 10v
- Entwicklungsleiter
- Beiträge: 2183
- Registriert: 15.03.2012, 22:27
- Fuhrpark: Audi 100CS Avant Bj87 tornadorot
Audi 100CSq Limo Bj87 Flamingomet. - Wohnort: Würzburg
Re: Schaltgestänge 5-Gang
Servus
Ich suche dir das jetzt nicht raus.
Mein Bild sagt alles aus, das die Din Teile nicht passen ohne Änderungen.
Das ganze Schaltgestänge muß raus um es auf Din Teile umzubauen
Mfg
Ich suche dir das jetzt nicht raus.
Mein Bild sagt alles aus, das die Din Teile nicht passen ohne Änderungen.
Das ganze Schaltgestänge muß raus um es auf Din Teile umzubauen
Mfg
- Dateianhänge
-
- 100_1376.JPG (1.51 MiB) 994 mal betrachtet
-
Deinhart
- Forumseinsteiger
- Beiträge: 1
- Registriert: 05.06.2022, 12:22
- Fuhrpark: Audi 100 Kat. 100 kW Bj87 weiss
Re: Schaltgestänge 5-Gang
Hallo an alle Audianer,
Erstmals eine kleine Vorstellung - mein Name ist Christian (kurz Chris), ich komme aus Slowenien und bin schon seit meiner Kindheit ein grosser Auto Fan. Seit 10/2015 besitze ich auch mein Traumauto und zwar einen Audi 100 2.3 Limo Fronti (NF) Bj. 1/1987, den ich aus Deutschland importiert habe.
Zu dem Thread: die Situation mit dem abspringendem Verbindungsstange (Et. Nr.: 431 711 429 B ) is mir vor zwei Jahren auch passiert. Ursache: die zwei Nylonbuchsen (Et. Nr.: 803 711 279 E) waren zerbröselt. Ich habe versucht die Sache mit 3D gedrücktem Teilen zu losen, aber diese Teile waren zu scwach. Ich habe die Buchsen dann bei VW Classic Parts Shop gekauft. Note: da gibt es ZWEI Varianten für diese Buchsen und zwar 10 mm Variante und die 13 mm Variante. Ich hoffe das dass weiter hilft?
MfG
Chris
Erstmals eine kleine Vorstellung - mein Name ist Christian (kurz Chris), ich komme aus Slowenien und bin schon seit meiner Kindheit ein grosser Auto Fan. Seit 10/2015 besitze ich auch mein Traumauto und zwar einen Audi 100 2.3 Limo Fronti (NF) Bj. 1/1987, den ich aus Deutschland importiert habe.
Zu dem Thread: die Situation mit dem abspringendem Verbindungsstange (Et. Nr.: 431 711 429 B ) is mir vor zwei Jahren auch passiert. Ursache: die zwei Nylonbuchsen (Et. Nr.: 803 711 279 E) waren zerbröselt. Ich habe versucht die Sache mit 3D gedrücktem Teilen zu losen, aber diese Teile waren zu scwach. Ich habe die Buchsen dann bei VW Classic Parts Shop gekauft. Note: da gibt es ZWEI Varianten für diese Buchsen und zwar 10 mm Variante und die 13 mm Variante. Ich hoffe das dass weiter hilft?
MfG
Chris
Re: Schaltgestänge 5-Gang
So ich habe es getan.
Einfach die kleine Koppelstange durch ein selbstgebautes Teil aus DIN-Teilen ersetzt.Warum sollte das auch nicht gehen???
Und was sollte man da anpassen müssen...gar nichts und man muß auch nicht das komplette Gestänge ausbauen, das Ganze ist in 15-20min erledigt, mit Anfertigung.
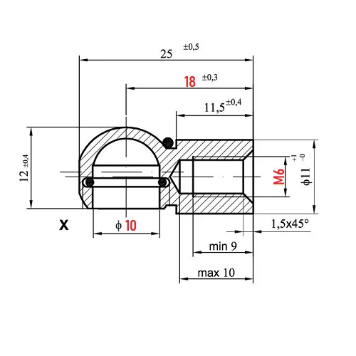
Man braucht nur einen Gewindestab M6 ca. 10-11cm lang, 2Stk Muttern zum Kontern M6 und 2Stk Kugelpfannen B10xM6. Den Augenabstand habe ich wie im Original auf 134mm Mitte-Mitte eingestellt
Das funktioniert tadellos, so sauber und leichtgängig hat mein 100er noch nie geschaltet.
Für den ersten Test habe ich Kugelpfannen für Gasdruckdämpfer aus Kunststoff benutzt, werde das aber nochmal auf Welche aus Metal ändern.
Für das Originalteil lasse ich mir Pfannen drucken, das bleibt im Handschuhfach für alle Fälle.
@Chris: Ja das scheint leider so das es von der 803711279 E zwei Versionen gibt. Das sit schon sehr doof. Ich hatte leider die mit B13 bekommen und brauchte B10.
Überall im Netz wo die Teile noch zubekomen sind, ist leider entweder keine Angabe zur Größe zufinden, oder es steht expliziet 13mm.
Audi- und VW-Tradition haben die Buchsen nicht mehr vorrätig....
Einfach die kleine Koppelstange durch ein selbstgebautes Teil aus DIN-Teilen ersetzt.Warum sollte das auch nicht gehen???
Man braucht nur einen Gewindestab M6 ca. 10-11cm lang, 2Stk Muttern zum Kontern M6 und 2Stk Kugelpfannen B10xM6. Den Augenabstand habe ich wie im Original auf 134mm Mitte-Mitte eingestellt
Das funktioniert tadellos, so sauber und leichtgängig hat mein 100er noch nie geschaltet.
Für den ersten Test habe ich Kugelpfannen für Gasdruckdämpfer aus Kunststoff benutzt, werde das aber nochmal auf Welche aus Metal ändern.
Für das Originalteil lasse ich mir Pfannen drucken, das bleibt im Handschuhfach für alle Fälle.
@Chris: Ja das scheint leider so das es von der 803711279 E zwei Versionen gibt. Das sit schon sehr doof. Ich hatte leider die mit B13 bekommen und brauchte B10.
Überall im Netz wo die Teile noch zubekomen sind, ist leider entweder keine Angabe zur Größe zufinden, oder es steht expliziet 13mm.
Audi- und VW-Tradition haben die Buchsen nicht mehr vorrätig....
Re: Schaltgestänge 5-Gang
Und wenn man es professionell und vernünftig macht, nimmt man dazu noch links/rechts-Gewinde...
-
Joe 10v
- Entwicklungsleiter
- Beiträge: 2183
- Registriert: 15.03.2012, 22:27
- Fuhrpark: Audi 100CS Avant Bj87 tornadorot
Audi 100CSq Limo Bj87 Flamingomet. - Wohnort: Würzburg
Re: Schaltgestänge 5-Gang
Hallo zusammen
Und das ganze ohne Bilder oder Links, damit es ja keine nutzen kann.
Davon lebt aber dieses Forum
Und das ganze ohne Bilder oder Links, damit es ja keine nutzen kann.
Davon lebt aber dieses Forum
Re: Schaltgestänge 5-Gang
Bitte schön, wie beschrieben braucht man.
2Stk Kugelpfanne B10xM6 https://i.ebayimg.com/images/g/qZsAAOSw ... -l960.webp
ca.11cm Gewindestab M6https://i.ebayimg.com/images/g/cJUAAOSw ... l1600.webp
2Stk Mutter M6 https://i.ebayimg.com/images/g/7WAAAOSw ... l1600.webp zum kontern, entweder selbstsichernd oder 2 Tropfen Schraubensicherung.
Der Rest sollte wirklich selbsterklärend sein...und ja für wenige Euro mehr kann man das auch einseitig mit Linksgewinde und einer entspr. Langmutter mit Links/Rechts-Gewinde in der Mitte zum Einstellen bauen so wie das Originalteil aufgebaut ist.
Aber der Aufwand lohnt mMn nicht. Einstellen im verbauten Zustand wäre damit eleganter/einfacher, aber man kommt ja eh nicht ran, im ausgebauten Zustand gehts auch mit 3. Hand, oder Schraubstock und einmal auf Maß gebracht, muß man da ja auch nicht ständig dran rum stellen.
Einfach die Einstellung Mitte-Mitte O-Teil übernehmen, die hatte ja mal funktioniert
Ein Foto kann ich noch von der finalen Version machen, wenn die Kugelpfannen in der Post lagen...
So kann das dann aussehen:
2Stk Kugelpfanne B10xM6 https://i.ebayimg.com/images/g/qZsAAOSw ... -l960.webp
ca.11cm Gewindestab M6https://i.ebayimg.com/images/g/cJUAAOSw ... l1600.webp
2Stk Mutter M6 https://i.ebayimg.com/images/g/7WAAAOSw ... l1600.webp zum kontern, entweder selbstsichernd oder 2 Tropfen Schraubensicherung.
Der Rest sollte wirklich selbsterklärend sein...und ja für wenige Euro mehr kann man das auch einseitig mit Linksgewinde und einer entspr. Langmutter mit Links/Rechts-Gewinde in der Mitte zum Einstellen bauen so wie das Originalteil aufgebaut ist.
Aber der Aufwand lohnt mMn nicht. Einstellen im verbauten Zustand wäre damit eleganter/einfacher, aber man kommt ja eh nicht ran, im ausgebauten Zustand gehts auch mit 3. Hand, oder Schraubstock und einmal auf Maß gebracht, muß man da ja auch nicht ständig dran rum stellen.
Einfach die Einstellung Mitte-Mitte O-Teil übernehmen, die hatte ja mal funktioniert
Ein Foto kann ich noch von der finalen Version machen, wenn die Kugelpfannen in der Post lagen...
So kann das dann aussehen:
-
Joe 10v
- Entwicklungsleiter
- Beiträge: 2183
- Registriert: 15.03.2012, 22:27
- Fuhrpark: Audi 100CS Avant Bj87 tornadorot
Audi 100CSq Limo Bj87 Flamingomet. - Wohnort: Würzburg
Re: Schaltgestänge 5-Gang
Servus
Einfach Danke für deine Zeit
So kann jeder nachbauen, ohne wie ich der das Original auf Lager hat
Mfg
Einfach Danke für deine Zeit
So kann jeder nachbauen, ohne wie ich der das Original auf Lager hat
Mfg
