Hallo Leute,
hat jemand die möglichen Codierungen der Codestecker für die AC/BC Tachos?
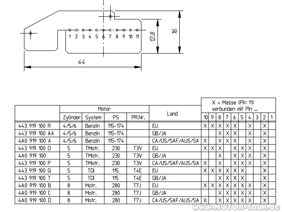
Ich habe über die Google Bildersuche nur diese hier gefunden, benötige aber für einen 100er KU K-Jet die Codierung.
Also für die Teilenummer 443919100C
Codestecker umlöten
Moderatoren: Moderatoren, globale Moderatoren
Forumsregeln
Bitte vor dem Erstellen eines Postings die geltenden Forenregeln beachten. Moderatoren und der Site-Admin werden in regelmäßigen Kontrollen für die Einhaltung der Regeln sorgen.
http://forum.group44.de/viewtopic.php?f ... 1#p1242111
Bitte vor dem Erstellen eines Postings die geltenden Forenregeln beachten. Moderatoren und der Site-Admin werden in regelmäßigen Kontrollen für die Einhaltung der Regeln sorgen.
http://forum.group44.de/viewtopic.php?f ... 1#p1242111
-
keek1983
- Crashtest-Dummy

- Beiträge: 71
- Registriert: 19.05.2021, 07:47
- Fuhrpark: Audi 100 Typ 44 - BJ 1990 - 2.2e KU ohne Kat
Re: Codestecker umlöten
So nach langem warten und suchen, habe ich endlich das passende KI mit dem richtigen Stecker für meinen KU ohne KAT mit K-Jet gefunde. Hier die Codierung.
Audi 100 Typ 44 - BJ 1990 - 2.2e KU ohne Kat