erster Gang steckt fest - 1.8er Fronti A6 C4

Hier bitte Fragen, Tipps und Anregungen rund um den Audi 100 bzw. A6 des Typs C4 (ab MJ91) einstellen.
Auch passen hier gut Fragen zu den "neuen" V6-Motoren herein, die im Aud 100 C4 sowie Audi 80 B4 eingebaut wurden.

Bitte überprüfe vor dem Erstellen Deines Postings, ob die Frage bereits in der Audi 100 und A6 Selbst-Dokumentation, der audi100.selbst-doku.de beantwortet wurde. Für fast alle häufigeren Probleme gibt es dort bereits Lösungen.

Moderatoren: Moderatoren, globale Moderatoren

Forumsregeln
Bitte vor dem Erstellen eines Postings die geltenden Forenregeln beachten. Moderatoren und der Site-Admin werden in regelmäßigen Kontrollen für die Einhaltung der Regeln sorgen.

http://forum.group44.de/viewtopic.php?f ... 1#p1242111
Antworten
Benutzeravatar
Jens 220V-Abt-Avant
Moderator
Moderator
Beiträge: 7399
Registriert: 05.11.2004, 19:40
Fuhrpark: soll ich da jetzt etwa alle...?
Wohnort: 73312 NDSK

erster Gang steckt fest - 1.8er Fronti A6 C4

Beitrag von Jens 220V-Abt-Avant »

Moin werte Fachwelt :D

Der A6 Avant eine Bekannten zickt. Der Wagen ist einer der allerletzten C4, EZ `97 und hat den 1.8er 125PS Motor drin. Das daran angekoppelte 5-Gang-Fronti-Getriebe hat nun die Tätigkeit eingestellt, der erste Gang ist drin und will ums Verrecken nicht mehr raus...
Kupplung kuppelt einwandfrei, damit hat es nichts zu tun, es muß etwas IM Getriebe sein - nur was?
Hat das schon mal jemand gehabt und weiß auf die Schnelle Rat? ist das evtl. nur ne Kleinigkeit oder sollte er sich lieber gleich nach einem Tauschgetriebe umsehen?


Grüßle
Jens
Life sucks!

...then you die!
Manu F.
Entwicklungsleiter
Beiträge: 2258
Registriert: 17.01.2006, 13:48
Fuhrpark: Audi Coupe Quattro Typ89 20V 7A, steht Teilzerlegt herum :-(
Audi 220V Limo, wartet auf Neuaufbau
Audi S6 C4 V8 Avant Schalter, Alltagsfahrzeug
Audi RS6 C5 Avant, Sommerfahrzeug
Wohnort: Beilngries

Re: erster Gang steckt fest - 1.8er Fronti A6 C4

Beitrag von Manu F. »

Hi Jens,

ich hatte mal das allergleiche an einem 016'er quattro Getriebe.
Dieses hab ich dann zum Getriebebauer gebracht, es waren entweder die Schaltklauen verbogen.

gruß Manu
Lieber 5 fleißige als 6 faule

Audi Coupe Quattro Typ89 20V 7A, steht Teilzerlegt herum :-(
Audi 220V Limo, wartet auf Neuaufbau :-(
Audi S6 C4 V8 Avant Schalter, Alltagsfahrzeug
Audi RS6 C5 Avant, Sommerfahrzeug
ABCler
Testfahrer
Testfahrer
Beiträge: 172
Registriert: 03.12.2013, 19:43

Re: erster Gang steckt fest - 1.8er Fronti A6 C4

Beitrag von ABCler »

Servus,

an der Schaltbetätigung liegt es nicht? (falls verbaut)
MfG
Martin
Benutzeravatar
heiner u.s.k.
Entwickler
Beiträge: 617
Registriert: 25.09.2010, 14:58

Re: erster Gang steckt fest - 1.8er Fronti A6 C4

Beitrag von heiner u.s.k. »

Servus,
hatte ein ähnliches Problem mal bei meinem B2. Da ging der Rückwärtsgang nicht mehr raus. Passierte aus heiterem Himmel.
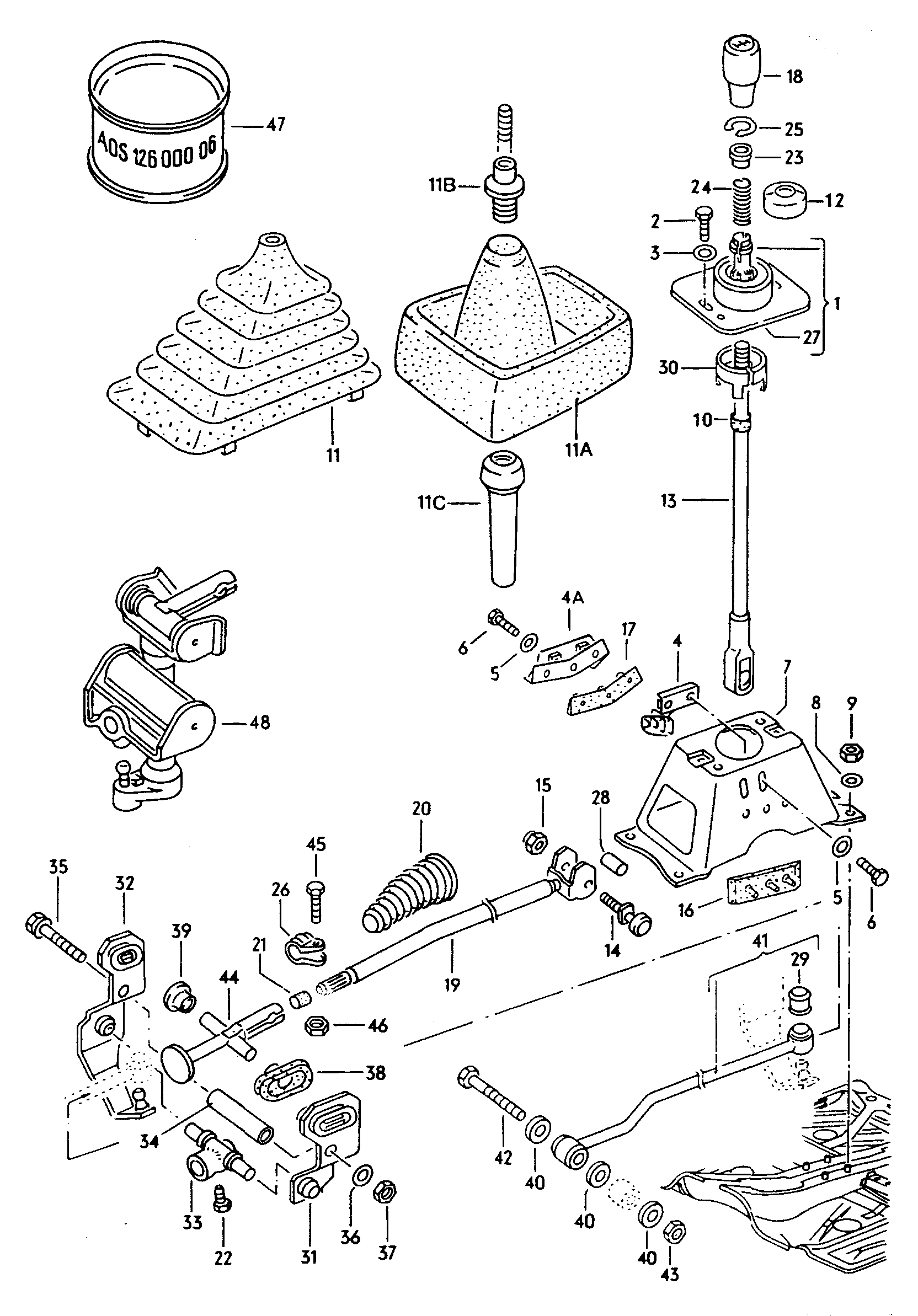
Die Ursache war die defekte, oder besser gesagt, die zerbröselte Kugelpfanne am Schaltgestänge. Mittlerweile weiß ich das sowas öfters beim B2 vorkommt. Hier isses die Pos. 29
Kugelpfanne B2.png

Wie´s beim C4 ist weiß ich jetzt allerdings nicht. Aber vielleicht ist das ja ein Ansatz für dich.

Die Kugelpfanne für den B2 gibt´s übrigens sogar noch beim Freundlichen für 4 Euro nochwas.
Gruß heiner
Man kommt immer zuerst ins Gespräch und dann ins Gerede.


Audi 100 CD, Bj.´84, zermattsilber-metallic, KZ (der Japan-Heimkehrer)
Audi Avant S2, Bj.´94, kristallsilber-metallic, ABY (der Ingolstädter)
Audi 80 2.0, Bj. '91, kristallsilber-metallic, ABT (der Vorserien-B4)
Benutzeravatar
Jens 220V-Abt-Avant
Moderator
Moderator
Beiträge: 7399
Registriert: 05.11.2004, 19:40
Fuhrpark: soll ich da jetzt etwa alle...?
Wohnort: 73312 NDSK

Re: erster Gang steckt fest - 1.8er Fronti A6 C4

Beitrag von Jens 220V-Abt-Avant »

N`Abend die Herren!

Danke schon mal für`n Input. Manu dürfte wohl am nächsten dran sein, Kugelpfanne bzw. insgesamt das Schaltgestänge ist stabil, an gekipptem Aggregat durch defekte Motor- oder Getriebelager liegt es auch nicht, wenn man das Gestänge am Getriebe entfernt geht erst nix an der Eingangsschaltwelle... die Blockade ist definitiv im Getriebe.
Wenn noch wer nen Einfall hat...? :)


Grüßle
Jens
Life sucks!

...then you die!
Benutzeravatar
moritz
Entwicklungsleiter
Beiträge: 1221
Registriert: 05.11.2004, 21:19
Fuhrpark: ex C4 TDI Avant
Audi 100 C4 Quattro 2,6 LPG
Audi A4 2,5tdi
Audi Coupe 2,3
Audi Cabrio 2,3
Wohnort: zwischen Würzburg und Tauberbischofsheim

Re: erster Gang steckt fest - 1.8er Fronti A6 C4

Beitrag von moritz »

Nabend Jens!
ich könnte ein Getriebe anbieten aus dem A4 125 PS 1,8 Liter.
Eventuell passt das?
Gruß
Moritz
gRUSS Moritz
Antworten