ich habe folgendes Problem.
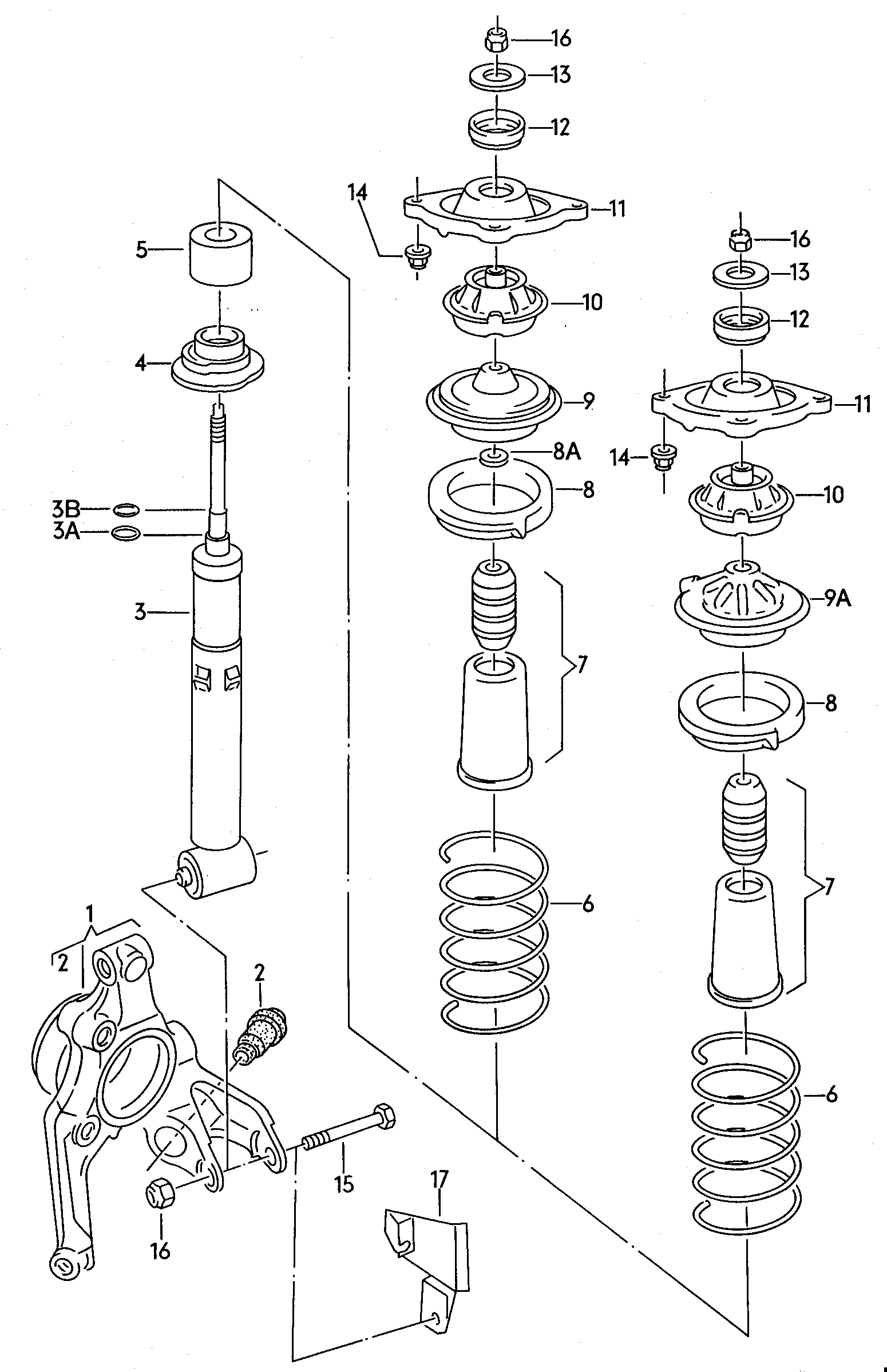
Habe bei KAW ein komplett Fahrwerk gekauft 60/45.
Ich habe extra die M10 Variante bestellt weil ich auf der HA die M10er Dämpfer habe.
Sprich die Domlager und alles haben auch den Innendurchmesser 10mm.
Also bei KAW angerufen da meinte der Techniker - Kein Problem einfach aufbohren dann passt das -
Gesagt getan die Scheibe passt aber das Domlager oben passt nicht sobald ich die Mutter rein mache ist
das ganze so eng das ich diese nicht festziehen kann.
Laut KAW im erneuten Anruf gibt es wohl vom 20V oder V8 diese Domlager in 12mm.
Hat einer da eine Ahnung welche das sein sollen ich finde nur die 10mm Varianten.
Habe mal ein Bild angehängt es geht um die Nummer 12
Danke schonmal

